電動蝶閥有普通型和智能型。普通型,當接通其電機,閥門便開或合,視電機正反轉而定;智能型如AC380V的,給其供AC380V后,電機不動,內部控制電路板可以工作。當給其輸入4—20mA電流時,做相應動作。4mA時關閉,20mA時打開。而且有4—20mA模擬量反饋信號,以反應它的閥門開度大小。
電動蝶閥由電動執行器和蝶閥組成,電動執行器為90度旋轉,有開關和調節式兩種控制方式,通過電動執行器旋轉帶動蝶閥的開啟與關閉。具備手動操作功能,在斷電時通過手動操作來開關蝶閥。
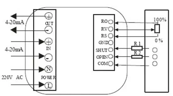
常見的電動蝶閥接線圖:

如下:開關型帶有源燈指示電動蝶閥接線圖,共有5根接線,1,2,3是控制部分,1,4,5是反饋部分。

開關型帶無源觸點型反饋電動蝶閥接線圖,1,2,3是控制部分接線,4,5,6為無源觸點反饋。

開關型帶開度信號反饋電動蝶閥接線圖。1,2,3為控制接線部分,4,5,6為反饋部分,輸出0-5K的電阻值,可以選定。
AC380V三相電源電動蝶閥接線圖:

智能調節式電動蝶閥接線圖,輸入輸出4-20mA:

電動蝶閥D971X/F型號是什么意思和區別?2022-01-13
不銹鋼電動蝶閥工作原理(不銹鋼氣動蝶閥打開壓力)2021-12-17
不銹鋼電動蝶閥規格型號(電動蝶閥型號大全)2021-12-17
蝶閥|電動蝶閥(氣動開關或調節介質流量的閥門)2021-12-03
電動蝶閥的結構和工作原理(電動蝶閥分類及優缺點)2021-12-02
AC220V電動蝶閥接線圖說明書 DC24V電動蝶閥控制原理圖2021-11-27
電動蝶閥怎么接線 DC24V電動蝶閥接線圖說明及控制方法2021-11-27
電動對夾式軟密封蝶閥的用途及特點 電動蝶閥結構應用2021-11-26
18701880159 18701880159